auggie with mpg
-
Richard Cullin
- Old Timer
- Posts: 152
- Joined: Sat Jun 02, 2012 5:45 am
Re: auggie with mpg
art
is there a setmpgmode() and or a onmpg() function that could set/reset a pin to reflect mpg state and
a way to read a pin to set mpg mode on/off ?
i'm now thinking of a microcontroller to switch mpg signals to relevant enc pins ,it would be nice to control jogging from the mpg unit
might make wireless too , go the whole hog
is there a setmpgmode() and or a onmpg() function that could set/reset a pin to reflect mpg state and
a way to read a pin to set mpg mode on/off ?
i'm now thinking of a microcontroller to switch mpg signals to relevant enc pins ,it would be nice to control jogging from the mpg unit
might make wireless too , go the whole hog
Re: auggie with mpg
Richard:
In checkng it looks to me like the pendent reports to software in its plugin ( in mach3 for example) and the software then takes care of jogging. That would allow for swapping axis, trouble is, I leave it to the pokeys to
manage its own MPG capabilities, so it limits it to 1 MPG per axis with no swapping as far as I can tell.
I will look into adding it to Auggie to do this, but it would be a complex upgrade as Auggie woudl have to deal with the MPg on its own and I havent added any code as yet to support that.
Art
In checkng it looks to me like the pendent reports to software in its plugin ( in mach3 for example) and the software then takes care of jogging. That would allow for swapping axis, trouble is, I leave it to the pokeys to
manage its own MPG capabilities, so it limits it to 1 MPG per axis with no swapping as far as I can tell.
I will look into adding it to Auggie to do this, but it would be a complex upgrade as Auggie woudl have to deal with the MPg on its own and I havent added any code as yet to support that.
Art
Re: auggie with mpg
Richard:
In re-reading, it looks like if you connect your encoder as the one encoder input to the pendent connector,
and then use the axis switch inputs so select what axis will mpg jog, then it should work when in State 10
as the pokeys is then in full control.
As I read it, when wired up that way, Auggie will switch to the pendent when you select MPG mode. I think
you need only have the "control switch" input on the pendent set to on as well.
Do you have the pokeys PulseEngine.pdf, it shows the wiring of it?
Art
In re-reading, it looks like if you connect your encoder as the one encoder input to the pendent connector,
and then use the axis switch inputs so select what axis will mpg jog, then it should work when in State 10
as the pokeys is then in full control.
As I read it, when wired up that way, Auggie will switch to the pendent when you select MPG mode. I think
you need only have the "control switch" input on the pendent set to on as well.
Do you have the pokeys PulseEngine.pdf, it shows the wiring of it?
Art
-
Richard Cullin
- Old Timer
- Posts: 152
- Joined: Sat Jun 02, 2012 5:45 am
Re: auggie with mpg
Looks to me like the pendent should work as long as its turned on, and auggie is in state 10 expecting mpg use.
Ill send a note to the developer to ask..
Art
Ill send a note to the developer to ask..
Art
Re: auggie with mpg
Richard:
No, sorry, wont work.
The pendent inputs are like IO for an application. Id have to add a pendent module to
take advantage of it. I can probably add axis script calls to set an axis's mpg though. Im
looking into it.
Thx
Art
No, sorry, wont work.
The pendent inputs are like IO for an application. Id have to add a pendent module to
take advantage of it. I can probably add axis script calls to set an axis's mpg though. Im
looking into it.
Thx
Art
-
Richard Cullin
- Old Timer
- Posts: 152
- Joined: Sat Jun 02, 2012 5:45 am
Re: auggie with mpg
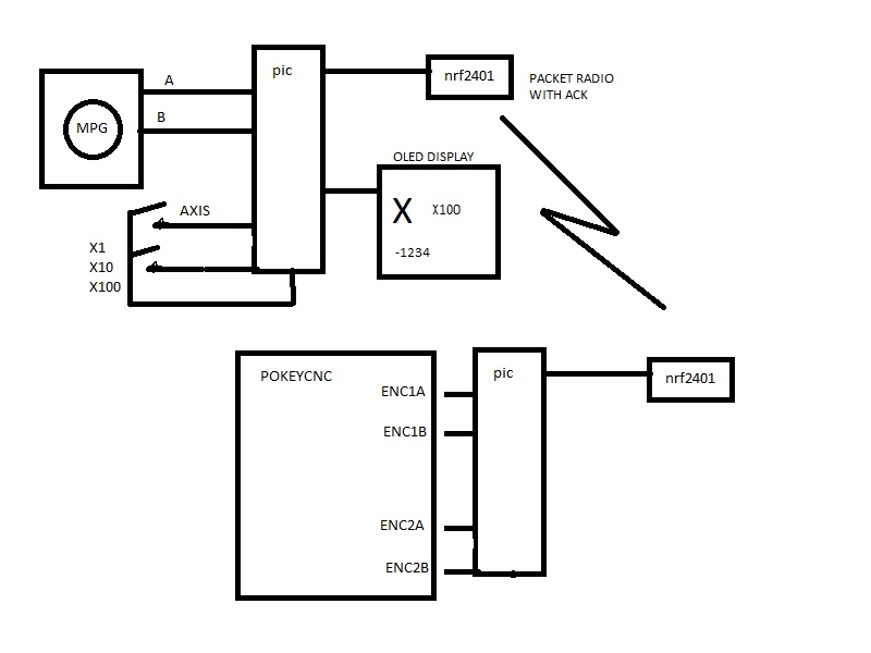
I have set up a pic chip to emulate quadrature re signals on the pokey encoder pins for x y axis , another pic sends in positioning data wirelessly. its all on bread boards but looks good functionally . have not tried x1 x10 x100 pulse multiplying yet or control of jogging speed by clocking quadrature output pulse rate
I think I can live with this solution , one pg can now control multiple axis' and its cordless . a nice touch would be an axis set zero button on the pendant
I think I can live with this solution , one pg can now control multiple axis' and its cordless . a nice touch would be an axis set zero button on the pendant
Last edited by Richard Cullin on Sun Jul 01, 2018 11:11 pm, edited 1 time in total.
Re: auggie with mpg
Good idea. Well done.
The ratios may be harder to handle, they sound it anyway. At some point Ill get there.
Art
The ratios may be harder to handle, they sound it anyway. At some point Ill get there.
Art
-
Richard Cullin
- Old Timer
- Posts: 152
- Joined: Sat Jun 02, 2012 5:45 am
Re: auggie with mpg
I have reached a brick wall trying to control mpg jog speed, no matter how fast I send encoder pulses the tool velocity won't exceed 100 or so mm/min . the speed ramps up from 0 to 100 nicely then won't increase past that point . I can set quadrature pulse rate > 5khz .
sorry ignore this , the max x/y velocity was incorrect set to 100 on this test config
sorry ignore this , the max x/y velocity was incorrect set to 100 on this test config
Last edited by Richard Cullin on Tue Jul 03, 2018 8:14 pm, edited 1 time in total.
Re: auggie with mpg
Richard:
I too do that all the time, thinking its broke I end up finding I set a limit on myself somewhere. :)
Let us know how it all works out.
Art
I too do that all the time, thinking its broke I end up finding I set a limit on myself somewhere. :)
Let us know how it all works out.
Art
-
Richard Cullin
- Old Timer
- Posts: 152
- Joined: Sat Jun 02, 2012 5:45 am
Re: auggie with mpg
the remote end of the cordless auggie mpg
Last edited by Richard Cullin on Sun Jul 08, 2018 11:16 pm, edited 1 time in total.
Re: auggie with mpg
Cordless MPG's.. hard to imagine a handier item than that!
I bow in your general direction. :)
Looks like excellent work. How do you find it in operation?
Art
I bow in your general direction. :)
Looks like excellent work. How do you find it in operation?
Art
-
Richard Cullin
- Old Timer
- Posts: 152
- Joined: Sat Jun 02, 2012 5:45 am
Re: auggie with mpg
its not on the laser yet , still waiting parts for the pokeys end .so far it looks good on the auggie screen
on slow its 1.6 mm/mpg turn @ 800mm/min max rate
on fast its 16 mm/mpg turn @ 1600mm/min max rate
left button steps axis xyz right button selects speed
the nrf comms sends a signed move value to the pokeys end queue as fast as the receiver sends ack packets.
nrf2401 coms is set for 4 byte packet @250kbps with ack and 4 retries.
the queue is pretty shallow so that the machine can't go too far in larlar land if you overwhelm it with fast winding of mpg knob, packets get abandoned if the queue can't keep up. the idea is when you stop turning the knob the machine stops.
I don't know if you have much knowledge of what a pic mcu is capable of but the rx end chip has these things called configurable logic cells. i'm using two of these set as d type flipflops to generate a quadrature output. I can clock this at any speed from dc to daylight (10's of megahertz anyway), one of the timer/counters is used to regulate the clock to a precise number of pulses while another sets the speed. so its pretty simple to set mpg speed / distance and its all done in hardware
on slow its 1.6 mm/mpg turn @ 800mm/min max rate
on fast its 16 mm/mpg turn @ 1600mm/min max rate
left button steps axis xyz right button selects speed
the nrf comms sends a signed move value to the pokeys end queue as fast as the receiver sends ack packets.
nrf2401 coms is set for 4 byte packet @250kbps with ack and 4 retries.
the queue is pretty shallow so that the machine can't go too far in larlar land if you overwhelm it with fast winding of mpg knob, packets get abandoned if the queue can't keep up. the idea is when you stop turning the knob the machine stops.
I don't know if you have much knowledge of what a pic mcu is capable of but the rx end chip has these things called configurable logic cells. i'm using two of these set as d type flipflops to generate a quadrature output. I can clock this at any speed from dc to daylight (10's of megahertz anyway), one of the timer/counters is used to regulate the clock to a precise number of pulses while another sets the speed. so its pretty simple to set mpg speed / distance and its all done in hardware
-
Richard Cullin
- Old Timer
- Posts: 152
- Joined: Sat Jun 02, 2012 5:45 am
Re: auggie with mpg
art
next time you review auggie code , no big deal.
mpg button . when you shutdown auggie with mpg active ,when restarted mpg button still shows as active but it not . you need to off/on it to get mpg going.
crosshairs. the crosshairs don't update when mpg jogging unless you repeatedly move the mouse over the plot window
next time you review auggie code , no big deal.
mpg button . when you shutdown auggie with mpg active ,when restarted mpg button still shows as active but it not . you need to off/on it to get mpg going.
crosshairs. the crosshairs don't update when mpg jogging unless you repeatedly move the mouse over the plot window
Re: auggie with mpg
Thx. Noted for update when Im in there.
Art
Art
Who is online
Users browsing this forum: No registered users and 3 guests
